
BVR系列由V型弹簧和聚合物护套组成,主要用作阀杆密封。
货号:
BVR付款条款:
T/T原产地:
China发货港口:
Guangzhou订单(最小起订量):
50
球阀高压唇形密封件
圆弧形密封唇口组合V型弹簧,BVR是针对气密封、低温应用特殊设计,即使在硬件表面不理想时也有很好的密封效果。
应用领域:油缸、阀门、泵、机床、制药设备、低温设备等。
![]() |
优势:
1. 材料化合物通过了 API 6A FF/HH 浸没测试; 2. 高负载螺旋缠绕弹簧,挠度范围小; 3. 经 NACE 批准的增能器可用于石油和天然气。 |
工况 |
||
温度 |
压力 |
介质 |
-50~200℃ |
150LB, 300LB, 600LB, 900LB, 1500LB, 2500LB |
LNG、低温乙烯 |
API 6D阀杆封选型表 | ||||||
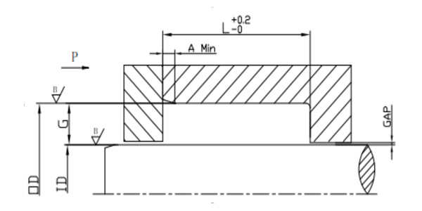
沟槽图:
|
||||||
工况 | 类型 | 弹簧 | 0~900(LBS) | 900~2500(LBS) |
标准断面G=(OD-ID)/2
|
L值 |
(-100℃~180℃) | BVR |
本色合金
|
![]() |
![]() |
3.1 | 7 |
4.55 | 9 | |||||
6.1 | 13 |
如果您对我们的产品感兴趣,想了解更多详情,请在这里留言,我们会尽快回复您。
分类