
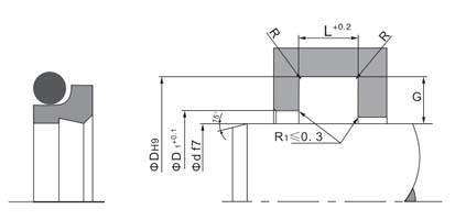
FD1型防尘圈的作用是防止粉尘、污物、沙粒或细屑进入运动的活塞杆。它可以防止刮伤、保护导向零件,延长密封件的寿命。
货号:
FD付款条款:
T/T原产地:
中国发货港口:
广州订单(最小起订量):
50FD防尘圈
FD1型防尘圈的作用是防止粉尘、污物、沙粒或细屑进入运动的活塞杆。它可以防止刮伤、保护导向零件,延长密封件的寿命。
FD1型防尘圈是由PTFE滑环和O形圈组合而成并具有预紧力。
![]() |
优势:
1.良好的防尘效果,即使在难对付的杂质和冰块的情况下,也具有良好的防尘作用; 2.如与斯特封STR配合使用,有很好的刮除内部残留油膜的效果; 3.耐磨性强,使用寿命长; 4.极小的起动和运动摩擦力,甚至在低速下也可保证平稳运动,无爬行现象; 5.极好的滑动性能; 6.沟槽尺寸小; 7.可提供最大直径2000mm的产品。 |
工况 |
|
温度 |
工作速度 |
-30℃ to +110℃
-25℃ to +220℃
|
≤4m/s |
应用:
用于往复运动的活塞杆,特别适用于重型应用场合,例如建筑机械、压机等设备上。
尺寸:
直径:φ5-φ500mm
尺寸可定制
标准规格表:
如果您对我们的产品感兴趣,想了解更多详情,请在这里留言,我们会尽快回复您。
分类