
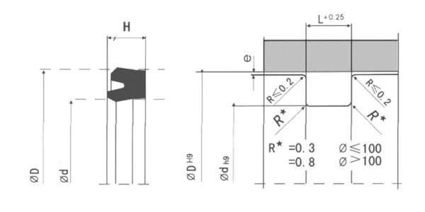
YBP是一种橡胶活塞密封圈,具有良好的密封性及耐磨性,可根据不同的工况选用不同的材质。
品牌:
JST Seals货号:
ODU付款条款:
T/T原产地:
中国发货港口:
广州订单(最小起订量):
50YBP孔用密封圈
YBP是一种橡胶活塞密封圈,具有良好的密封性及耐磨性,可根据不同的工况选用不同的材质。
![]() |
优势:
1.容易安装; 2.耐磨性好; 3.抗挤出; 4.多种材料可选。 |
工况 |
|||
压力 |
温度 |
速度 |
质 |
NBR, ≤16Mpa
PU, ≤35Mpa |
-35~+110℃
|
≤1m/s |
矿物油、气、水 |
尺寸:
上一个:
双向活塞密封件下一个:
HBY活塞杆缓冲密封圈如果您对我们的产品感兴趣,想了解更多详情,请在这里留言,我们会尽快回复您。
分类