
JST FHR系列由螺旋缠绕弹簧和聚合物护套制成,主要用于杆密封。
货号:
FHR付款条款:
T/T原产地:
中国发货港口:
广州订单(最小起订量):
50球阀泛塞密封
弹簧蓄能密封:
JST FHR 系列由螺旋缠绕弹簧和聚合物护套制成,主要用于杆。
聚合物护套的材料包括纯 PTFE、填充 PTFE、UHMW-PE、PEEK 等。
螺旋缠绕弹簧的材料包括不锈钢、Elgiloy、Hast 合金等
![]() |
优势:
1. 材料化合物通过了 API 6A FF/HH 浸没测试; 2. 高负载螺旋缠绕弹簧,偏转范围小; 3. 弹性变形量小,适用于一些封闭的凹槽; 4. 圆形唇缘轮廓,易于组装; 5. 提供各种横截面积和直径; 6. 提供经 NACE 批准的适用于石油和天然气用途的增能器。 |
工况 |
||
温度 |
压力 |
介质 |
-50~200℃ |
150LB, 300LB, 600LB, 900LB, 1500LB, 2500LB |
气体,水 |
API 6D阀杆封选型表 | ||||||
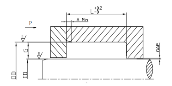
沟槽图:
|
||||||
工况 | 类型 | 弹簧 | 0~900(LBS) | 900~2500(LBS) |
标准断面G=(OD-ID)/2
|
L 值 |
(-50℃~180℃) | FHR |
金色合金
|
![]() |
![]() |
3.1 | 4.8 |
4.7 | 7.1 | |||||
6.1 | 9.5 |
上一个:
API 6D球阀阀体密封如果您对我们的产品感兴趣,想了解更多详情,请在这里留言,我们会尽快回复您。
分类