产品
首页 产品

6D阀门密封

-196℃~-100℃

API 6D超低温球阀阀座密封

API 6D超低温球阀阀座密封

在液化天然气作业中,阀门经常会遇到低于 -320 F (-196 C) 的温度和高于 750 磅/平方英寸 (psi) 的压力。它们还会受到周期性温度变化的影响,即所谓的“热循环”,这会导致硬件膨胀以及收缩和材料应力。这些因素使可靠的长期阀门操作成为一项工程挑战。

  • 货号:

    FMR
  • 付款条款:

    T/T
  • 原产地:

    中国
  • 发货港口:

    广州
  • 订单(最小起订量):

    50
  • 产品详情

低温球阀阀杆密封


在 LNG 生产运输中,阀门经常会遇到低于 -320 F (-196°C) 的温度和高于 750 磅/平方英寸 (psi) 的压力。它们还会受到周期性温度变化的影响,即所谓的“热循环”,这会导致硬件膨胀以及收缩和材料应力。这些因素使可靠的长期阀门操作成为一项工程挑战。


高效、可靠的阀门性能对于任何 LNG/CNG 操作的成功都至关重要,而密封件在保持阀门正常运行方面起着核心作用。但苛刻的服务条件使它们的工作变得困难。


密封成功因素:

为了为 LNG 低温阀门提供卓越的防泄漏保护,密封件应具有:

1. 耐受热循环的夹套材料

2. 补偿收缩的增能器

3. 防挤压唇形几何形状


通过正确的材料配方和设计,它们实际上可以提供比其他技术(例如金属密封件、弹性密封件和填料)更好的密封服务 - 尤其是在动态应用中。事实上,合适的聚合物密封件实际上可以帮助工程师实现阀门性能的新水平。


低温密封有其独特的挑战。JST 拥有广泛的低温密封应用解决方案。低温密封需要巧妙的设计,结合正确的材料类型、密封配置和弹簧增能器来克服所有配合部件的尺寸波动。


低温低温密封应用:


  • 火箭推进灌装系统
  • LNG 压缩机
  • 低温阀杆密封
  • 低温蝶阀座密封
  • 低温输送泵
  • LNG 加油系统
  • 石油
  • 科学仪器
  • 特种气体制造



弹簧增能密封:

FMR 密封由螺旋缠绕弹簧和聚合物护套制成,主要用作法兰外表面密封。

聚合物护套的材料包括 PTFE、TFM、PCTFE 等。

螺旋缠绕弹簧的材料包括不锈钢、Elgiloy、Hast 合金等。

当压力大于900LBS时需加防挤压圈;



优势:

1. 材料化合物通过 API 6A FF/HH 浸没测试;

2. 安装简便;

3. 经 NACE 认可的增能器可用于石油和天然气;

4. 提供各种横截面积和直径,尤其是大横截面积;

5. 超低温下密封性能好;

6. 双向设计在高压应用中效果更佳。



工况
温度
压力
介质
-196~100℃
150LB, 300LB, 600LB, 900LB, 1500LB, 2500LB

LNG、低温乙烯


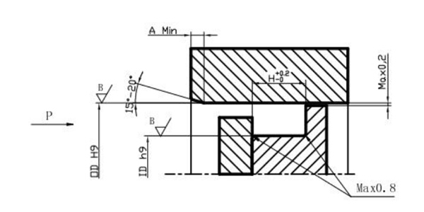
API 6D 阀杆密封选型表

沟槽图:

工况 类型 弹簧 0~900(LBS) 900~2500(LBS)
标准断面G=(OD-ID)/2
L 值
(-196℃~-100℃) FMR
金色合金

4.7 13
6.1 15
8 15.5

留言

如果您对我们的产品感兴趣,想了解更多详情,请在这里留言,我们会尽快回复您。

相关产品
球阀高压唇形密封
API 6D球阀阀座密封

JST FHP系列由金属的螺旋弹簧和工程塑料聚合物的护套制成,主要用于活塞密封。

P形密封
SPS套管头密封

P型密封由橡胶弹性体与防挤压环组成。 在注入密封胶的压力下形成密封作业。它是一种静态密封件,用于密封粗糙的套管和油管。防挤压环可提供网孔不锈钢或实心碳钢。

衬管刮塞
固井胶塞

尾管刮塞是预装在悬挂器上的一个中空胶塞,具有隔离水泥浆、清洁套管壁、防止水泥浆污染等用途。

金属端盖密封设计
MES 金属端盖密封

MES密封适用于恶劣条件下的油气应用,特别是高压和高温环境。它由RGD和符合NORSOK、API和Total标准的耐酸气体的材料制成,适用于恶劣的井下环境。

S 圈沟槽尺寸
S型套管悬挂器密封

S 型密封非常适合密封井口、连接器、井下工具、高压阀和其他条件要求苛刻的石油和天然气应用。  非挤压弹簧可以由不同的金属制成。

D2 PU 密封件
D2 PU密封件

D2型活塞杆密封件它可以用在普通橡胶或织物增强橡胶的性能达不到要求的各种场合。

橡胶夹布 V 形密封
液压橡胶夹布V形密封

V 型密封圈由多个公母接头组成,通常由三到七个 V 型环组成,用于单作用或双作用气缸的低压或高压应用。

RGD材料o形圈
RGD O型圈

JST的RGD(快速气体减压)O形圈可应用于高压高低温环境。它广泛应用于探测和钻井设备、完井设备、水下阀门和泵、压缩机等。

© 版权: 2026 广州加士特密封技术有限公司 All Rights Reserved.

支持IPv6网络

支持IPv6网络

友情链接:

唯万密封
向上

留言

留言

    如果您对我们的产品感兴趣,想了解更多详情,请在这里留言,我们会尽快回复您。

  • #
  • #
  • #