产品
首页 产品

6D阀门密封

-50℃~180℃

API 6D球阀阀座密封

API 6D球阀阀座密封

JST FHP系列由金属的螺旋弹簧和工程塑料聚合物的护套制成,主要用于活塞密封。

  • 品牌:

    JST Seals
  • 货号:

    FHP
  • 付款条款:

    T/T
  • 原产地:

    中国
  • 发货港口:

    广州
  • 订单(最小起订量):

    50
  • 产品详情

API 6D 球阀活塞密封


圆弧形密封唇口组合螺旋形弹簧。


拥有高的弹簧载荷,在低温、 低压或配合面光洁度不够理想时下也能保持好密封效果;适合静态和缓慢动态密封。

应用领域:球阀、 机械密封、 低温设备 、 原应用领域:球阀、机械密封、低温设备 、原油天然气装置 、真空设备等。




优势:

1.材料混合物通过API 6A FF/HH浸渍测试;

2.高负载螺旋弹簧,变形范围小;

3.弹性变形量小,适用于一些封闭沟槽;

4.刚性弹簧作为赋能器,抵抗低温收缩;

5. NACE 批准的供能器可用于石油和天然气用途。


工况
工作温度
压力
介质
-50~200℃
150LB, 300LB, 600LB, 900LB, 1500LB, 2500LB
气体,水


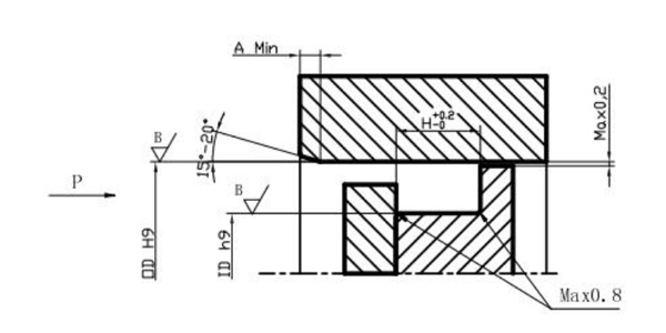
API 6D 阀杆密封选型表

沟槽示意图:

工况 类型 弹簧 0~900(LBS) 900~2500(LBS)

标准断面G=H

L
(-50℃~121℃) FHR
本色合金,
Elgiloy


3.1 4.8
4.7 7.1
6.1 9.5

留言

如果您对我们的产品感兴趣,想了解更多详情,请在这里留言,我们会尽快回复您。

相关产品
API 6D球阀阀杆密封 -加士特
API 6D球阀阀杆密封

JST FHR系列由螺旋缠绕弹簧和聚合物护套制成,主要用于杆密封。

API 6D球阀密封
API 6D球阀阀体密封

FHC密封由螺旋弹簧和聚合物护套制成,主要用作法兰外表面密封。

橡胶防尘圈
FD防尘圈

FD1型防尘圈的作用是防止粉尘、污物、沙粒或细屑进入运动的活塞杆。它可以防止刮伤、保护导向零件,延长密封件的寿命。

P形密封
SPS套管头密封

P型密封由橡胶弹性体与防挤压环组成。 在注入密封胶的压力下形成密封作业。它是一种静态密封件,用于密封粗糙的套管和油管。防挤压环可提供网孔不锈钢或实心碳钢。

防尘密封圈DLI 产品目录
ME2防尘密封圈

ME2防尘圈的作用是用来防止粉尘、污物、砂粒、金属屑进入液压缸,减少外界污染物嵌人滑动元件引起刮伤的危险。通过对防尘圈唇口的特殊设计便可达到极好的防尘效果。

API6A井口密封T型密封
T型密封

T型密封是三件组合式密封,带弹性体和硬塑料防挤出环,经大量使用案例证明可以长期使用。

SPGW活塞密封件
MTP/HPGA型活塞密封

MTP/HPGA活塞型密封圈是由PTFE活塞密封环、 丁腈橡胶和两个改性塑料挡圈组成,广泛用在高压工况下的重载双向活塞密封。

PTFE PEEK 滑套开关
滑套开关

组合密封包括支撑环、夹套、V形环和挡圈。

© 版权: 2026 广州加士特密封技术有限公司 All Rights Reserved.

支持IPv6网络

支持IPv6网络

友情链接:

唯万密封
向上

留言

留言

    如果您对我们的产品感兴趣,想了解更多详情,请在这里留言,我们会尽快回复您。

  • #
  • #
  • #